
KCB係列911香蕉小视频用途
KCB係列911香蕉小视频適用於輸送不含固體顆粒和纖維,無腐蝕性,溫度不高於80℃,粘度為5×10-6~1.5×10-3m2/s (5-1500cSt)的潤滑油或性質類似潤滑油的其他液體.
KCB係列911香蕉小视频應用範圍
在輸油係統中可用作傳輸,增壓泵;
在燃油係統中可用作輸送,加壓,噴射的燃油泵;
在一切工業領域中,均可作潤滑油泵用.
KCB係列齒輪油泵結構特點
KCB係列齒輪油泵主要有齒輪,軸,泵體,安全閥,軸端密封所組成.齒輪經熱處理有較高的硬度和強度,與軸一同安裝在可更換的軸套內運轉.泵內全部零件的潤滑均在泵工作時利用輸出介質而自動達到.
泵內有設計合理的泄油和回油槽,是齒輪在工作中承受的扭矩力小,因此軸承負荷小,磨損小,泵效率高.
泵設有安全閥作為超載保護,安全閥的全回流壓力為泵額定排除壓力的1.5倍,也可在允許排出壓力範圍內根據實際需要另外調整.但注意本安全閥不能作減壓閥的長期工作,需要時可在管路上另行安裝.從主軸外伸端向泵看,為順時針旋轉.
KCB齒輪油泵是有泵體、前後泵蓋、齒輪、主被動軸、軸承、安全閥和軸端密封等零件組成。
KCB18.3——83.3主傳動齒輪是一對斜齒園柱齒輪,KCB齒輪油泵直動式安全閥。
KCB200—960主傳動齒輪是四個斜齒輪組成的人字形齒輪組,差壓式安全閥。
KCB齒輪油泵全係列KCB齒輪油泵用三爪式彈性聯軸器與電動機組成的油泵機組。
KCB齒輪油泵結構簡單緊湊,使用維護方便,運轉平穩,使用安全可靠。
KCB齒輪油泵適用於輸送介質粘度不大於150mm2/S,KCB齒輪油泵溫度不高於80℃,無腐蝕性,不含硬質顆粒雜質和纖維的重油、柴油、機械油、植物油以及性質類似的其它液體。
KCB齒輪油泵主要用於石油、化工、冶金、礦山、KCB齒輪油泵電站等行業油類介質的轉輸、增壓、燃油噴射等以及大型機械設備中稀油循環中,KCB齒輪油泵在各類機械設備中均可做潤滑泵使用。

型號 | L | L1 | L2 | L3 | L4 | B | B1 | B2 | B3 | H | H1 | H2 | φD | G | 4-φd |
KCB-18.3 | 217.5 | 35 | 80 | 115 | 16 | 192 | 150 | 120 | 66 | 136 | 90 | 69 | 20 | G3/4" | 16 |
KCB-33.3 | 231 | 42.5 | 80 | 115 | 16 | 192 | 150 | 120 | 66 | 136 | 90 | 69 | 20 | G3/4" | 16 |
KCB-55 | 246 | 50 | 80 | 115 | 16 | 192 | 150 | 120 | 66 | 136 | 90 | 69 | 20 | G1" | 16 |
KCB-83.3 | 271 | 62 | 80 | 115 | 16 | 192 | 150 | 120 | 66 | 136 | 90 | 69 | 20 | G11/2" | 16 |
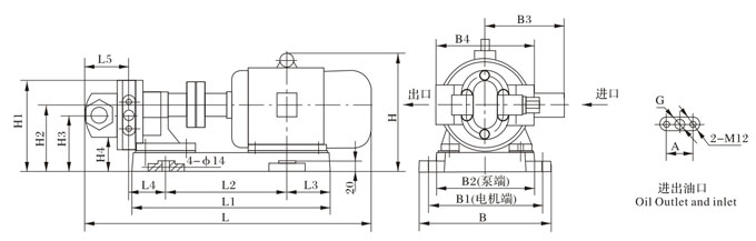
KCB-18.3~KCB-83.3外型、安裝尺寸及重量

型號 | L | L1 | L2 | L3 | L4 | L5 | H | H1 | H2 | H3 | H4 | B | B1 | B2 | B3 | B4 | A | G | 重量 Weight(kg) |
KCB-18.3 | 566 | 391 | 239 | 86 | 75 | 86 | 230 | 176 | 130 | 109 | 40 | 259 | 225 | 190 | 155 | 192 | 52 | G3/4" | 62.15 |
KCB-33.3 | 618 | 416 | 256 | 86 | 82 | 93 | 285 | 186 | 140 | 119 | 50 | 279 | 245 | 190 | 180 | 192 | 52 | G3/4" | 66.8 |
KCB-55 | 595 | 391 | 239 | 86 | 89.5 | 100.5 | 230 | 176 | 130 | 109 | 40 | 259 | 225 | 190 | 155 | 192 | 70 | G1" | 64.15 |
KCB-83.3 | 652 | 416 | 256 | 94 | 102 | 113 | 285 | 186 | 140 | 119 | 50 | 279 | 245 | 190 | 180 | 192 | 78 | G11/2" | 70.15 |
KCB型911香蕉小视频性能參數
型號
| 流量 Q | 轉速 n r/min
| 排出壓力 pMpa | 必需汽 蝕餘量rm | 效率 η %
| 電動機 |
m3/h | L/min | 功率KW
| 型號 |
KCB-18.3 | 1.1 | 18.3 | 1400 | 1.45 | 5 | 44 | 1.5 | Y90L-4 |
2CY-1.1/1.45 |
KCB-33.3 | 2 | 33.3 | 1420 | 1.45 | 5 | 44 | 2.2 | Y100L1-4 |
2CY-2/1.45 |
KCB-55 | 3.3 | 55 | 1400 | 0.33 | 7 | 41 | 1.5 | Y90L-4 |
2CY-3.3/0.33 |
KCB-83.3 | 5 | 83.3 | 1420 | 0.33 | 7 | 43 | 2.2 | Y100L1-4 |
2CY-5/0.33 |
KCB-135 | 8 | 135 | 940 | 0.33 | 5 | 46 | 2.2 | Y112M-6 |
2CY-8/0.33 |
KCB-200 | 12 | 200 | 1440 | 0.33 | 5 | 46 | 4 | Y112M-4 |
2CY-12/0.33 |
KCB-300 | 18 | 300 | 960 | 0.36 | 5 | 42 | 5.5 | Y132M2-6 |
2CY-18/0.36 |
KCB-483.3 | 29 | 483.3 | 1440 | 0.36 | 5.5 | 42 | 11 | Y160M-4 |
2CY-29/0.36 |
KCB-633 | 38 | 633 | 970 | 0.28 | 6 | 43 | 11 | Y160L-6 |
2CY-38/0.28 |
KCB-960 | 58 | 960 | 1470 | 0.28 | 6.5 | 43 | 18.5 | Y180M-4 |
2CY-58/0.28 |
KCB-1200 | 72 | 1200 | 740 | 0.6 | 7 | 43 | 37 | Y280S-8 |
KCB-1600 | 95 | 1600 | 980 | 45 | Y280S-6 |
KCB-1800 | 112 | 1800 | 740 | 0.6 | 7.5 | 43 | 55 | Y315S-8 |
KCB-2500 | 150 | 2500 | 985 | 75 | Y315S-6 |
KCB-2850 | 170 | 2850 | 740 | 0.6 | 8 | 44 | 90 | Y315L1-8 |
KCB-3800 | 230 | 3800 | 989 | 110 | Y315L1-6 |
KCB-4100 | 245 | 4100 | 743 | 0.6 | 8 | 44 | 132 | Y355M1-8 |
KCB-5400 | 325 | 5400 | 989 | 160 | Y355M1-6 |
KCB-5600 | 330 | 5600 | 744 | 0.6 | 8 | 44 | 160 | Y355M2-8 |
KCB-7600 | 460 | 7600 | 989 | 200 | Y355M3-6 |
KCB-7000 | 420 | 7000 | 744 | 0.6 | 8 | 44 | 185 | Y355L1-8 |
KCB-9600 | 570 | 9600 | 989 | 250 | Y355L2-6 |