泊頭市香蕉91黄色视频泵業有限公司

911香蕉小视频找香蕉91黄色视频泵業谘詢電話:13931762407
熱門點擊:
   
公司動態 news
  KCB911香蕉小视频結構特點
KCB911香蕉小视频有齒輪,軸,泵體,安全閥,軸端密封(特殊要求,可選用磁力驅動,零泄漏結構)等組成.齒輪經熱處理有較高的硬度和強度,與軸一同安裝在可更換的軸套內運轉.泵內全部零件的潤滑均在泵.....
油泵產品列表  
911香蕉小视频
91香蕉APP成人污在线看
香蕉爱爱视频
保溫瀝青泵
單螺杆泵
雙螺杆泵
三螺杆泵
自吸式離心泵
渣漿泵
高粘度泵
化工泵
船用泵
磁力泵
渣油泵係列
 
 
產品中心 當前位置 > 香蕉91黄色视频泵業 > 產品展示 > 高粘度泵 >
 
  • NYP高粘度泵
  • -詳細參數

NYP型高粘度泵優點
輸送液體平穩,無脈動,振動小,噪音低.很強的自吸性能.正確選用零件材料,可輸送多種有腐蝕性的介質,使用溫度可200℃.泵的轉速與流量呈線性函數關係,可適當改變轉還來改變泵的流量.
特別適用高粘度稠度介質的輸送.
NYP高粘度泵(NYP轉子泵)產品說明:
特別適用高粘度稠度介質的輸送,廣泛應用於各種流體的輸送行業,尤其對於處理粘度變化較大,範圍較寬的流體輸送.
有普通鑄鐵材質和不鏽鋼材質兩種.
泵頭部,泵殼體,密封腔部分均可以帶保溫夾套,根據實際需要選擇需要保溫的位置.
夾套與泵體鑄造成一體,保溫效果良好,能夠避免焊接夾套產生的各種問題.
需加熱時:通過熱蒸汽,導熱油等各種熱媒通入夾套腔即可進行保溫.
需冷卻時:通過各種冷卻液,可以保持泵體的恒溫.
間隙可調:泵可以根據粘度的需要,無需拆泵即可調節齒輪間隙,達到泵在不同黏度下的工藝要求,整體軸承箱第二大優勢就是,隻需轉動軸承箱即可實現間隙的調整,操作簡單,不需拆卸泵的任何部件.        
外轉子帶動內轉子同向轉動,磨損小,使用壽命長.
應用行業:適用於輸送純淨且有一定粘度的流體,可用於輸送油品如潤滑油,原油等,也可以用來輸送糖蜜,聚氨酯,黑白料,橡膠,瀝青,油漆,粘合劑,染料,塗料,潤滑劑,多元醇,食品,藥品等不含顆粒性雜質的高粘度物料,還可用於輸送PA PB PC PE PS HIPS ABS PP PET PVA等高溫,高粘度聚合物熔體物料.
適用介質溫度:-10℃ —200℃(NYPO.78和NYP2.3的適用溫度為-10℃ —80℃).
適用介質粘度:1.0cSt—300,000cSt(NYPO.78和NYP2.3的適用粘度為1.0cSt—10,000cSt).

1、NYP高粘度泵主要有內外轉子、軸、泵體、泵蓋、托架、密封、軸承等組成。
2、輸送液體平穩、無脈動、振動小、噪音低。高粘度泵的轉速與流量呈線型函數關係,可適當改變轉速來改變泵的流量。特別適用與高粘度介質的輸送。軸端采用機械密封。   NYP高粘度泵在開始運轉前,往NYP高粘度泵的殼體內灌滿待輸送的液體,便於安全啟動。若環境溫度低於冰點,應預先向泵內通入熱蒸汽,進行預熱處理,然後才可啟動NYP高粘度泵。高粘度泵的旋轉方向要與進、出油口相符。NYP高粘度泵若是初次運行,或長期閑置後再使用,在空載或小負荷情況下先跑合一小時左右。如果在跑合階段預先覺察出異常溫升、泄漏、振動和噪聲時,應停機檢查。   高粘度NYP高粘度泵的支座或法蘭與其驅動電機應采用共同的安裝基礎,基礎、法蘭或支座均需具有足夠的剛度,以減小NYP高粘度泵運轉時產生的振動和噪聲。電動機與NYP高粘度泵須用彈性聯軸器連接,同軸度小於0.1毫米,傾斜角不得大於1度。安裝聯軸器時不得用錘敲打,以免傷害NYP高粘度泵的齒輪等零件。
NYP高粘度泵優點:
(一)有很強的自吸性能。
(二)特別適用高粘度稠度介質的輸送。
(三)輸送液體平穩,無脈動,振動小,噪音低。
(四)正確選用零件材料,可輸送多種有腐蝕性的介質。
(五)內外轉子轉向相同,磨損小,使用壽命長。
(六)泵的轉速與流量呈線性函數關係,可適當改變轉還來改變泵的流量。

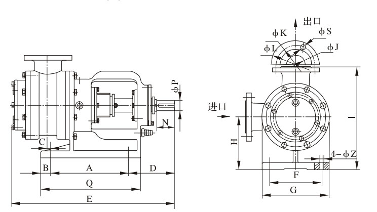
NYP不鏽鋼內環式高粘度泵結構圖
NYP不鏽鋼內環式高粘度泵結構圖
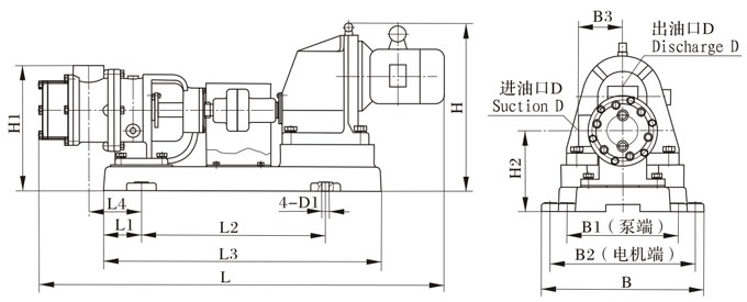
NYP不鏽鋼保溫泵配減速電機整機安裝尺寸圖
NYP不鏽鋼保溫泵配減速電機整機安裝尺寸圖
型號LL1L2L3L4HH1H2BB1B2B3DD1  Decelerator
型號功率KW轉速r/min
NYP7.010289138459011532725316327022522590G11/2"φ20YCJ713583
455
NYP52136167576790130480355225400308340130G2"φ22YCJ1127.5228
135167576790130533355225400308340130G2"φ22YCJ1007.5303
357
143667576790130533355225400308340130G2"φ22YCJ10011475
NYP1111500154558890227585495285525385475210φ80φ22YCJ11215305
417
479
NYP72724232009501259330825935615580520520320φ150φ28YCJ31537128

NYP7.0(A)泵頭外形尺寸

NYP7.0(A)泵頭外形尺寸
泵型號理論排量
L/100r
ABCDEFGHIQNPZ口徑
NYP7.0A
(原NYP3A)
7.05816991473751401728817890431913G11/2"


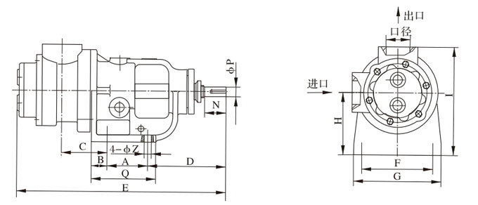
NYP24,NYP80,NYP111(A),NYP727泵頭外形尺寸

NYP24,NYP80,NYP111(A),NYP727泵頭外形尺寸


型號理論排量
L/100r  
ABCDEFGHIJKLNPQSZ
NYP242412030941965182002401603205012516557301804-φ1818
NYP808017027.5138.5183.55922202551803908016020075422258-φ1815
NYP111
(原NYP30A)
111170251421886162202551803908016020058402258-φ1815
NYP111
(原NYP30A)
1113403031986882202802204308016020075424208-φ1820
NYP32032034035120.5268849330400260520125210250120654108-φ1822
NYP727
(原NYP50A)
727410401702601060370450360680150240285120805308-φ1822


NYP高粘度泵性能參數表:


型號

流量

壓力
Mpa
吸入及排出管口徑
必須汽蝕餘量m
效率
%
減速方式

m3/h

I/min

功率
KW
轉速
r/min
減速機
NYP3/1.0
2
33.3
1.0
Rp11/2
5
45
3
587
YCJ71

NYP10/1.0

6
100

1.3

Rp2

45
7.5
228
YCJ112
8
133.3
1.0
Rp2
45
7.5
303
YCJ100
10
166.7
Rp2
51
7.5
357
YCJ100
12
200
Rp2
54
7.5
475
YCJ100

NYP30/1.0

18
300
¢80
54
15
305
YCJ112
22
366.7
¢80
58
15
359
YCJ112
28
466.7
¢80
65
15
479
YCJ112
NYP50/1.0
50
833.3
¢150
52
37
128
YCJ315
80
1333.3
¢150
58
45
208
YCJ355
100
1666.6
¢150
65
55
253
YCJ355
NYP3/1.0
1.5
25
Rp11/2
43
3
480

皮帶輪傳動

2
33.3
Rp11/2
43
3
640
NYP10/1.0
8
133.3
Rp2
43
7.5
303
10
166.7
Rp2
49
7.5
357
12
200
Rp2
51
7.5
475
NYP3/1.0
3
50
1
Rp11/2

55
3
960

Y132S-6

與電機直聯

密封方式:用戶需要



 相關新聞
 相關產品

泊頭市香蕉91黄色视频泵業製造有限公司  手機:13931762407 電話:0317-8285333 傳真:0317-8356252 聯係人:吳經理 
郵箱:chinayoubeng@163.com 地址:河北省泊頭市
網址:www.jinbingcheng.com Copyright 泊頭市香蕉91黄色视频泵業製造有限公司 all Rights Reserved .冀ICP備89089671號-1
網站地圖