KCB不鏽鋼911香蕉小视频用途
KCB不鏽鋼911香蕉小视频主要用於各種機械設備中的潤滑係統中輸送潤滑油,適用於輸送粘度為5×10-6~1.5×10-3m2/s (5-1500cSt),溫度在300℃以下的具有潤滑性的油料.不鏽鋼911香蕉小视频,可輸送無潤滑性的油料,飲料,低腐蝕性的液體.配用銅齒輪可輸送低內點液體,如汽油,苯等.本係列不鏽鋼泵除配置普通電機外,還可根據用戶需要配置同規格的防爆電機.材質:304.316.316L不鏽鋼.
KCB不鏽鋼911香蕉小视频適用範圍
在輸油係統中可用作傳輸,增壓泵;
在燃油係統中可用作輸送,加壓,噴射的燃油泵;
在衛生條件要求較高的場合,如醫藥,食品等行業;在有弱腐蝕性的場合,如精細化工,化妝品,印染,釀造行業.
在一切工業領域中,均可作潤滑油泵用.
KCB不鏽鋼911香蕉小视频結構特點
KCB不鏽鋼911香蕉小视频主要有齒輪,軸,泵體,安全閥,軸端密封所組成.齒輪經熱處理有較高的硬度和強度,與軸一同安裝在可更換的軸套內運轉.泵內全部零件的潤滑均在泵工作時利用輸出介質而自動達到.
KCB不鏽鋼911香蕉小视频內有設計合理的泄油和回油槽,是齒輪在工作中承受的扭矩力小,因此軸承負荷小,磨損小,泵效率高.
KCB不鏽鋼911香蕉小视频設有安全閥作為超載保護,安全閥的全回流壓力為泵額定排除壓力的1.5倍,也可在允許排出壓力範圍內根據實際需要另外調整.但注意本安全閥不能作減壓閥的長期工作,需要時可在管路上另行安裝.
從主軸外伸端向泵看,為順時針旋轉.
大流量齒輪油泵,911香蕉小视频,缷油泵,輸油泵,原油泵,船用911香蕉小视频等.
流量:1.1m3/h-600m3/h壓力:0.28MPa--2.5MP.
KCB不鏽鋼911香蕉小视频主要用於油田,油庫,港口,碼頭,船舶等大流量輸油,卸油!
KCB不鏽鋼911香蕉小视频的使用注意事項:
(1)安裝完畢後,用手轉動聯軸器檢查有無碰擦現象。
(2)為防止雜物進人泵內,泵進口處設過濾器,過濾麵積大於管路截麵積的3一4倍。
(3)嚴禁空運轉。
(4)揚程高的泵在出口管路上應裝止回閥,以防突然停機的水錘破壞。
(5)開泵程序:開車前打開進口閥門,將泵內灌滿須輸送的液體;關閉出口閥;點動電揚機,檢查泵的轉向是否正確;泵啟動後,出口閥應緩慢開啟,KCB不鏽鋼911香蕉小视频達到正常運行狀態後,再將出口閥調到所需開度。試運轉5--10min,如無異常,可投入運行。
停車程序:關閉出口閥門;切斷電源;關閉進口,長期停機不用時,清洗泵內流道並切斷電源。 KCB不鏽鋼911香蕉小视频齒輪采用漸開線斜齒輪結構,采用耐腐蝕氟膠骨架油封和聚四氟高溫填料密封組合裝配,密封效果好,耐溫高。特殊工況條件可以采用不鏽鋼耐腐蝕機械密封。
KCB不鏽鋼911香蕉小视频型泵在泵體中裝有一對回轉齒輪,依靠兩齒輪的相互齧合,把泵內的整個工作腔分兩個獨立的部分。
KCB不鏽鋼齒輪油泵運轉時主動齒輪帶動被動齒輪旋轉,當齒輪脫開齧合時在吸入側就形成局部真空,液體被吸入。被吸入的液體充滿齒輪的各個齒穀而帶到排出側,齒輪進入齧合時液體被擠出而排出泵外。
KCB不鏽鋼911香蕉小视频性能參數表
型號 | 流量 Q | 轉速 n r/min | 排出壓力 p Mpa | 必需汽 蝕餘量 r m | 效率 η % | 電機 |
m3/h | L/min | 功率KW | 型號 |
KCB-18.3 | 1.1 | 18.3 | 1400 | 1.45 | 5 | 44 | 1.5 | Y90L-4 |
2CY-1.1/1.45 |
KCB-33.3 | 2 | 33.3 | 1420 | 1.45 | 5 | 44 | 2.2 | Y100L1-4 |
2CY-2/1.45 |
KCB-55 | 3.3 | 55 | 1400 | 0.33 | 7 | 41 | 1.5 | Y90L-4 |
2CY-3.3/0.33 |
KCB-83.3 | 5 | 83.3 | 1420 | 0.33 | 7 | 43 | 2.2 | Y100L1-4 |
2CY-5/0.33 |
KCB-135 | 8 | 135 | 940 | 0.33 | 5 | 46 | 2.2 | Y112M-6 |
2CY-8/0.33 |
KCB-200 | 12 | 200 | 1440 | 0.33 | 5 | 46 | 4 | Y112M-4 |
2CY-12/0.33 |
KCB-300 | 18 | 300 | 960 | 0.36 | 5 | 42 | 5.5 | Y132M2-6 |
2CY-18/0.36 |
KCB-483.3 | 29 | 483.3 | 1440 | 0.36 | 5.5 | 42 | 11 | Y160M-4 |
2CY-29/0.36 |
KCB-633 | 38 | 633 | 970 | 0.28 | 6 | 43 | 11 | Y160L-6 |
2CY-38/0.28 |
KCB-960 | 58 | 960 | 1470 | 0.28 | 6.5 | 43 | 18.5 | Y180M-4 |
2CY-58/0.28 |
KCB-1200 | 72 | 1200 | 740 | 0.6 | 7 | 43 | 37 | Y280S-8 |
KCB-1600 | 95 | 1600 | 980 | 45 | Y280S-6 |
KCB-1800 | 112 | 1800 | 740 | 0.6 | 7.5 | 43 | 55 | Y315S-8 |
KCB-2500 | 150 | 2500 | 985 | 75 | Y315S-6 |
KCB-2850 | 170 | 2850 | 740 | 0.6 | 8 | 44 | 90 | Y315L1-8 |
KCB-3800 | 230 | 3800 | 989 | 110 | Y315L1-6 |
KCB-4100 | 245 | 4100 | 743 | 0.6 | 8 | 44 | 132 | Y355M1-8 |
KCB-5400 | 325 | 5400 | 989 | 160 | Y355M1-6 |
KCB-5600 | 330 | 5600 | 744 | 0.6 | 8 | 44 | 160 | Y355M2-8 |
KCB-7600 | 460 | 7600 | 989 | 200 | Y355M3-6 |
KCB-7000 | 420 | 7000 | 744 | 0.6 | 8 | 44 | 185 | Y355L1-8 |
KCB-9600 | 570 | 9600 | 989 | 250 | Y355L2-6 |
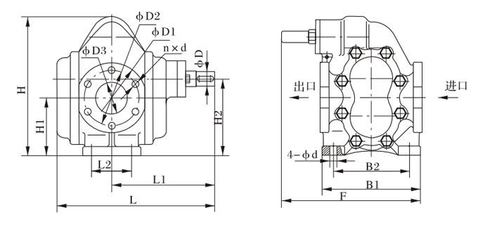
KCB200-960型911香蕉小视频外型、安裝尺寸
型號 | L | L1 | L2 | B1 | B2 | H | H1 | H2 | F | φD1 | φD2 | φD3 | n×d | φD | 4-φd |
KCB-200 | 290 | 200 | 66 | 214 | 160 | 263.5 | 118 | 152.5 | 300 | 140 | 110 | 50 | 4-M12 | 28 | 13 |
KCB-300 | 354 | 230 | 90 | 225 | 180 | 308 | 128 | 170 | 318 | 155 | 123 | 70 | 6-M14 | 32 | 16 |
KCB-483.3 | 354 | 230 | 90 | 225 | 180 | 308 | 128 | 170 | 318 | 155 | 123 | 70 | 6-M14 | 32 | 16 |
KCB-633 | 415 | 270 | 120 | 280 | 175 | 385 | 188 | 205 | 380 | 190 | 158 | 100 | 8-M14 | 38 | 18 |
KCB-960 | 415 | 270 | 120 | 280 | 175 | 385 | 188 | 205 | 380 | 190 | 158 | 100 | 8-M14 | 38 | 18 |
KCB-200--KCB-960整機外形,安裝尺寸及重量

型號 | L | L1 | L2 | L3 | L4 | n×φ | H | H1 | H2 | H3 | H4 | B | B1 | B2 | B3 | B4 | D | D1 | D2 | n×d | 重量 Weight(kg) |
KCB-200 | 709 | 577 | 419 | 58 | 90 | 4×φ16 | 355 | 314 | 168 | 202 | 50 | 326 | 290 | 240 | 190 | 214 | φ50 | φ110 | φ140 | 4×M12 | 135 |
KCB-300 | 883 | 715 | 502 | 80 | 124 | 4×φ22 | 423 | 378 | 198 | 240 | 70 | 390 | 340 | 280 | 210 | 228 | φ70 | φ123 | φ155 | 6×M14 | 173 |
KCB-483.3 | 972 | 795 | 565 | 890 | 124 | 4×φ22 | 465 | 378 | 198 | 240 | 70 | 450 | 400 | 290 | 255 | 228 | φ70 | φ123 | φ155 | 6×M14 | 213 |
KCB-633 | 1074 | 901 | 629 | 100 | 145 | 4×φ22 | 500 | 455 | 258 | 275 | 70 | 450 | 400 | 285 | 255 | 280 | φ100 | φ158 | φ190 | 8×M14 | 274.5 |
KCB-960 | 1099 | 900 | 635 | 100 | 145 | 4×φ22 | 525 | 455 | 283 | 275 | 70 | 470 | 420 | 285 | 285 | 280 | φ100 | φ158 | φ190 | 8×M14 | 304.5 |
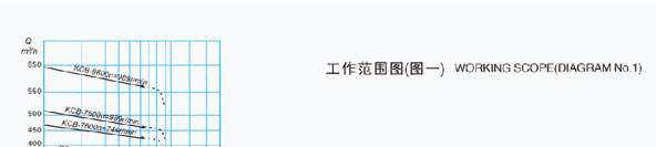
KCB係列911香蕉小视频性能曲線圖
各型911香蕉小视频性能參數中給出的排出壓力是給出的大工作壓力值,在此範圍內泵均能正常工作,其工作範圍見下圖。

KCB係列911香蕉小视频工作範圍圖