
臥式三螺杆泵適用範圍:
臥式三螺杆泵主要用於輸送中低黏度的潤滑性液體,在工業生產中常作為液壓泵,潤滑泵,輕燃油泵,輸送泵
性能參數:(在轉速1450r/min,運動黏度n:75㎜2/s)
流量Q:26 -5000 l/min 工作壓力:4.0MPa
臥式三螺杆泵安裝形式:
部件組合係列化,有底板式,支架式,柱腳式多種結構.可用於臥式,法蘭式和立式安裝,泵進出口方向可左右更換.
具有自吸能力
可根據用戶特殊要求進行專門設計,生產.
臥式三螺杆泵輸送介質種類:
a. 潤滑性液體:如機械油,滑油,重油,渣油
b. 低潤滑性液體:如輕柴油,重柴油,含蠟稀油
c. 粘性液體:如各種合成橡膠液和人造膠液,乳化液
臥式三螺杆泵應用
在供熱設備中用做燃油噴油,燃油供液壓和輸送泵。
在機械工業中用做液壓,潤滑和遙控馬達泵。
在化學石油化工和食品工業中用做裝載,輸送和供液泵。
在船舶上用做輸送、增壓、燃油噴射和潤滑油泵以及船用液壓裝置泵。
三螺杆泵的優勢及使用注意事項
三螺杆泵在使用中表現出來的主要優勢及特點有:
一、三螺杆泵噪音低。
二、三螺杆泵輸送壓力高。
三、三螺杆泵輸送脈動小,流量、壓力穩定性高。
四、三螺杆泵使用壽命長於其他911香蕉小视频或者是轉子泵。
三螺杆泵螺杆直徑小,且螺旋均為雙頭,因此螺杆的動平衡相當好,其慣性矩甚至比萬向節還要小。故泵可以具有較高的轉速,由此引起的振動也就較小,起動時間也短。泵運轉時低脈動和聲壓級相當低是它的重要特性。
三螺杆泵起動前應注意的事項如下:
一、三螺杆泵的進口應裝有過濾器,通常通過過濾器的顆粒不大於0.1mm。
二、檢查三螺杆泵機組和連接部分是否固定牢固;檢查吸人管路段以及儀表接頭的連接是否密封。
三、檢查三螺杆泵聯軸器之間是否有一定的間隙及嚴格控製兩軸的對中,聯軸器外圓的跳動不得超過0.05mm,聯軸器的端麵跳動不應超過0.1mme。
四、首次起動前三螺杆泵內應灌滿工作介質。
五、檢查三螺杆泵進口管路上的吸人閥門和排出管路上的排出閥門是否完全打開。
六、用手轉動三螺杆泵聯軸器,手感螺杆轉動應均勻、輕快,不得有任何轉動勉強或卡住等現象。
三螺杆泵必須按既定的方向運轉,以產生一定的吸排。
泵工作時,應注意檢查壓力、溫度和機械軸封的工作。對軸封應該允許有微量的泄漏,如泄漏量不超過20-30秒/滴,則認為正常。假如泵在工作時產生噪音,這往往是因油溫太低,油液粘度太高,油液中進入空氣,聯軸節失中或泵過度磨損等原因引起。
三螺杆泵停車時,應先關閉排出停止閥,並待泵完全停轉後關閉吸入停止閥。
三螺杆泵因工作螺杆長度較大,剛性較差,容易引起彎曲,造成工作失常。對軸係的連接必須很好對中;對中工作是在安裝定位後進行,以免管路牽連造成變形;連接管路時應獨立固定,盡可能減少對泵的牽連等。此外,備用螺杆,在保存時采用懸吊固定的方法,避免因放置不平而造成的變形。
形式代號 3Gr45X4-46
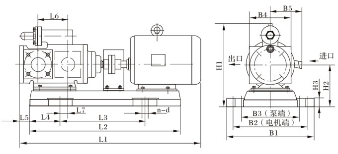
3G42×4三螺杆泵外形及安裝尺寸
| 泵型號 | 機座號 | L1 | L2 | L3 | L4 | L5 | L6 | L7 | B1 | B2 | B3 | B4 | B5 | H1 | H2 | H3 | n-d |
| 42×4 | 112M 132S 160M | 840 917 1043 | 725 765 890 | 420 460 590 | 150 150 150 | 41 41 41 | 158 158 158 | 50 50 50 | 410 450 480 | 350 390 420 | 270 270 270 | 176 176 176 | 190 210 265 | 343 385 455 | 190 202 230 | 35 35 35 | 4-φ25 4-φ25 4-φ25 |
| 泵型號 | D1 | F1 | G1×G1 | n1-M1 | D2 | F2 | G2×G2 | n2-M2 |
| 42×4 | 65 | 130 | 128×128 | 4-M12 | φ40 | φ108 | 118×118 | 4-M16 |
三螺杆泵性能參數
型號 | 排出壓力 P MPa | 流量 Q | 轉速n r/min | 必需汽蝕餘量 rm | 效率η % | 電動機 |
m3/h | L/min | 功率kw | 型號 |
25×4-46 | 1.0 | 0.8 | 13 | 1450 | 4 | 62 | 0.75 | Y802-4 |
2.5 | 0.6 | 10 | 60.6 | 1.5 | Y90L-4 |
1.0 | 2.0 | 33 | 2900 | 4.5 | 59.4 | 1.5 | Y90S-2 |
2.5 | 1.6 | 26 | 69 | 3 | Y100L-2 |
30×4-46 | 1.0 | 1.6 | 26 | 1450 | 4.5 | 63.5 | 1.1 | Y90S-4 |
2.5 | 1.2 | 20 | 61 | 2.2 | Y100L1-4 |
1.0 | 3.6 | 60 | 2900 | 5 | 60 | 2.2 | Y90L-2 |
2.5 | 3.2 | 53 | 69 | 4 | Y112M-2 |
36×4-46 | 1.0 | 2.8 | 46 | 1450 | 4.5 | 66 | 2.2 | Y100L1-4 |
2.5 | 2.4 | 40 | 66.5 | 4 | Y112M-4 |
1.0 | 6.5 | 108 | 2900 | 5 | 60.5 | 4 | Y112M-2 |
2.5 | 6 | 100 | 72 | 7.5 | Y132S2-2 |
42×4-46 | 1.0 | 4.8 | 80 | 1450 | 5 | 62 | 4 | Y112M-4 |
2.5 | 4.2 | 70 | 73 | 5.5 | Y132S1-4 |
1.0 | 10.5 | 175 | 2900 | 5.5 | 61 | 5.5 | Y132S1-2 |
2.5 | 10 | 166 | 72 | 15 | Y160M2-2 |
45×4-46 | 1.0 | 6.3 | 106 | 1450 | 5 | 70 | 3 | Y100L2-4 |
2.5 | 5.9 | 99 | 74 | 7.5 | Y132M-4 |
1.0 | 13.5 | 225 | 2900 | 5.5 | 60 | 7.5 | Y132S2-2 |
2.5 | 13 | 217 | 75 | 15 | Y160M2-2 |
60×4-46 | 1.0 | 15.5 | 255 | 1450 | 5 | 71.3 | 11 | Y160M-4 |
2.5 | 14.5 | 245 | 74 | 15 | Y160L-4 |
1.0 | 32 | 533 | 2900 | 5.5 | 63 | 18.5 | Y160L-2 |
2.5 | 31.5 | 525 | 77 | 37 | Y200L2-2 |
70×2-46 | 0.6 | 24 | 400 | 1450 | 5 | 71 | 7.5 | Y132M-4 |
1.0 | 23.5 | 390 | 75 | 11 | Y160M-4 |
1.6 | 22.5 | 370 | 76 | 15 | Y160L-4 |
70×4-46 | 1.0 | 24.5 | 408 | 1450 | 5 | 72.5 | 18.5 | Y180M-4 |
2.5 | 23.5 | 392 | 79 | 30 | Y200L-4 |
80×2-46 | 0.6 | 36.5 | 608 | 1450 | 5 | 72 | 11 | Y160M-4 |
1.0 | 35 | 594 | 75.5 | 18.5 | Y180M-4 |
1.6 | 34.5 | 575 | 76.5 | 22 | Y180L-4 |
80×4-46 | 1.0 | 37 | 617 | 1450 | 5.5 | 72 | 30 | Y200L-4 |
2.5 | 35 | 590 | 78.1 | 45 | Y225M-4 |
100×2-46 | 0.6 | 72.5 | 1208 | 1450 | 5 | 73 | 22 | Y180L-4 |
1.0 | 71 | 1183 | 77 | 37 | Y225S-4 |
1.6 | 60.5 | 1158 | 79 | 45 | Y225M-4 |
100×4-46 | 1.0 | 72.5 | 1208 | 1450 | 5.5 | 73 | 55 | Y250M-4 |
2.5 | 70 | 1165 | 78.5 | 75 | Y280S-4 |
S100×3-27 | 0.6 | 72 | 1196 | 1450 | 6 | 62 | 22 | Y180L-4 |
1.6 | 70 | 1160 | 72 | 55 | Y250M-4 |
2.5 | 69 | 1145 | 74 | 75 | Y280S-4 |
S120×3-27 | 0.8 | 123 | 2055 | 1450 | 6 | 74.5 | 55 | Y250M-4 |
1.5 | 120 | 2010 | 76 | 90 | Y280M-4 |
2.5 | 115 | 1920 | 78.5 | 132 | Y315M-4 |